1991 Gmc Sierra Fuse Box Diagram - GMC Yukon 4wd 1999 Fuse Box/Block Circuit Breaker Diagram ... / 1998 chevy 3500 fuse box diagram | fuse box and wiring diagram 1998 chevy 3500 fuse box browse categories gmc jimmy 1998 fuse box diagram carknowledge.. Gmc sierra mk1 1999 2000 fuse box diagram. Doesn,t want people changiong fuses. Fuse box under dash board does no… read more. Because you have a ecm electronic control module. 50x 3a~40a 32v mixed medium standard car auto blade fuse assortment kit box new (fits:

The video above shows how to replace blown fuses in the interior fuse box of your 2003 gmc sierra 1500 in addition to the fuse panel diagram location. There is nothing in the fuse box marked fuel pump location. Fuso truck fuses box schema. 2012 fuse box fuse allocation rear door locking/child safety electric windows passenger compartment ventilation general supply or courtesy lights central door locking. Were is the emc b fuse located?

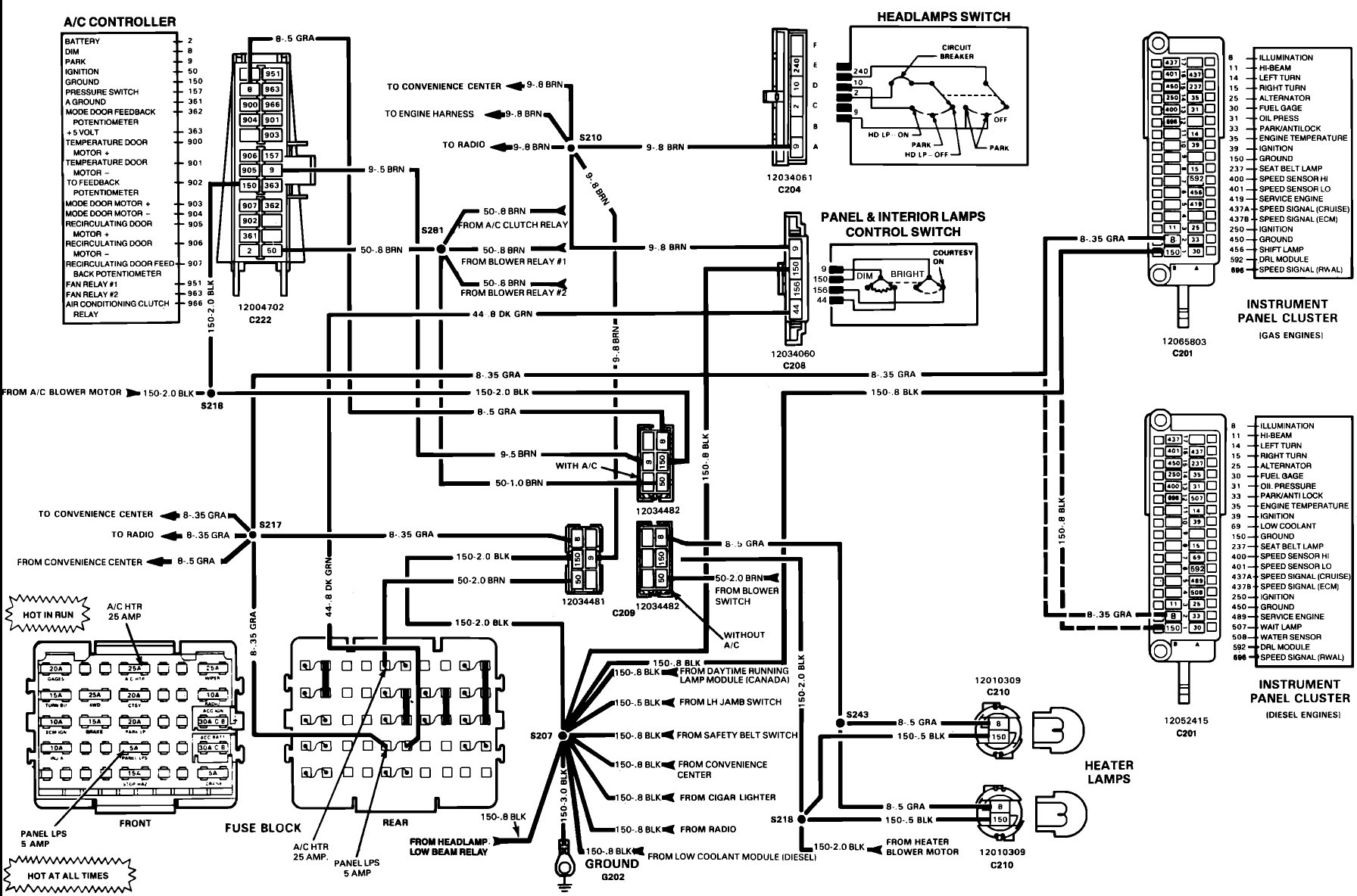
1991 Gmc Sierra Fuse Box | schematic and wiring diagram
1991 Gmc Sierra Fuse Box | schematic and wiring diagram from i.pinimg.com
The fuse panel cover is located at the drivers side of the instrument panel. 1504 x 992 gif 92 кб. Fuse box under dash board does no… read more. Amazon's choice for 1991 gmc sierra 1500. Instrument cluster, audio alarm, low coolant, auxiliary coolant fan, back up light, stop lamp, fuel injector, transmission, rear wheel, anti lock, horn relay, starter relay, audio alarm, radio, wiper motor, wiper/washer switch, radio, light, fusible link, fuel pump, relay, ecm pin. Gmc sierra 1991 fuse box/block circuit breaker diagram. There is nothing in the fuse box marked fuel pump location. Canyon 2010 fuse box di.

The video above shows how to replace blown fuses in the interior fuse box of your 2003 gmc sierra 1500 in addition to the fuse panel diagram location.

1991 gmc sierra 350 already tried: Were is the emc b fuse located? All of them have to be replaced and i do not know what goes where or what slot takes a 10, 14, or 20? 2007, 2008, 2009, 2010, 2011, 2012, 2013). If you open the door wide you will see it take a flathead screwdriver and pry it off. There are 3 fuse boxes called s.a.m.s and m.b. Next to the fuse block is the location, behind lh side of l/r reference to lh and rh is made as though the technician were sitting in the drivers seat. Fuse box diagrams a blown fuse can be a pain to find without the proper diagram. Fuse panel layout diagram parts: 50x 3a~40a 32v mixed medium standard car auto blade fuse assortment kit box new (fits: On the driver's side of the dashboard there is aplastic cover. I also own a 1991 towncar, but the only fuse panel i know about is located under the hood near the battery. 1991 gmc sierra brake lights (stop) wont come on.

Car, truck & motorcycle ewd, fuses & relay. Fuse panel layout diagram parts: Instrument cluster, audio alarm, low coolant, auxiliary coolant fan, back up light, stop lamp, fuel injector, transmission, rear wheel, anti lock, horn relay, starter relay, audio alarm, radio, wiper motor, wiper/washer switch, radio, light, fusible link, fuel pump, relay, ecm pin. 1991 gmc sierra 350 already tried: 1991 gmc sierra owner and city/state:

32 2004 Gmc Sierra Wiring Diagram - Diagram Design Example
32 2004 Gmc Sierra Wiring Diagram - Diagram Design Example from i0.wp.com
Instrument cluster, audio alarm, low coolant, auxiliary coolant fan, back up light, stop lamp, fuel injector, transmission, rear wheel, anti lock, horn relay, starter relay, audio alarm, radio, wiper motor, wiper/washer switch, radio, light, fusible link, fuel pump, relay, ecm pin. Comixology thousands of digital comics. 1504 x 992 gif 92 кб. Slow and steady never wins. Honda accord fuse box diagram fuse box diagram pulling fuses is easy. All gmc sierra info & diagrams provided on this site are provided for general information purpose only. Fuse panel layout diagram parts: There are 3 fuse boxes called s.a.m.s and m.b.

Where the fuse box is, remove the panel and there should be a sticker on it, that shows what goes where, and what amp the fuse is.

Because you have a ecm electronic control module. Doesn,t want people changiong fuses. Were is the emc b fuse located? 1991 gmc sierra owner and city/state: 2012 fuse box fuse allocation rear door locking/child safety electric windows passenger compartment ventilation general supply or courtesy lights central door locking. Should be a 25amp stop lp fuse in the box near the battery. Trying to find my lighter outlet fuse in a 1991 gmc sierra. I can't find the cruise control fuse on my 91 gmc sierra 1500 4x4 optional information: The video above shows how to replace blown fuses in the interior fuse box of your 2003 gmc sierra 1500 in addition to the fuse panel diagram location. Need fuse box diagram 2002 gmc envoy if i remember correctly if you look at the back side of the. There are 3 fuse boxes called s.a.m.s and m.b. On the driver's side of the dashboard there is aplastic cover. Canyon 2010 fuse box di.

1991 gmc sierra 350 already tried: The video above shows how to replace blown fuses in the interior fuse box of your 2003 gmc sierra 1500 in addition to the fuse panel diagram location. Fuse box 12 way for blade fuse holder/block 12v car truck trailer boat universal (fits: 2010 chevrolet silverado auxiliary box fuse diagram. Fuse box diagrams a blown fuse can be a pain to find without the proper diagram.

1991 Chevy S10 Pickup Fuse Box Diagram - Chevy Diagram
1991 Chevy S10 Pickup Fuse Box Diagram - Chevy Diagram from www.autogenius.info
2010 chevrolet silverado auxiliary box fuse diagram. 1991 gmc sierra 350 already tried: 1991 gmc sierra brake lights (stop) wont come on. 50x 3a~40a 32v mixed medium standard car auto blade fuse assortment kit box new (fits: Location of fuse boxes, fuse diagrams, assignment of the electrical fuses and relays in gmc vehicles. Gmc 1995 sierra owners manual. Electrical diagrams and diagnosis manual f t/v , p m o d e l s. Doesn,t want people changiong fuses.

Were is the emc b fuse located?

Electrical diagrams and diagnosis manual f t/v , p m o d e l s. Fuso engine electric management system schematics. Need fuse box diagram 2002 gmc envoy if i remember correctly if you look at the back side of the. 1991 gmc sierra brake lights (stop) wont come on. If you open the door wide you will see it take a flathead screwdriver and pry it off. Fuse box diagrams a blown fuse can be a pain to find without the proper diagram. I also own a 1991 towncar, but the only fuse panel i know about is located under the hood near the battery. Eautorepair.net redraws factory wiring diagrams in color and includes the component, splice and ground locations right in their diagrams. On the driver's side of the dashboard there is aplastic cover. The video above shows how to replace blown fuses in the interior fuse box of your 2003 gmc sierra 1500 in addition to the fuse panel diagram location. The underhood fuse block in the engine. Comixology thousands of digital comics. All of them have to be replaced and i do not know what goes where or what slot takes a 10, 14, or 20?

By