2003 Chevy S10 Fuse Box Diagram - 2003 S10 Fuse Panel Diagram 2004 Gmc Sierra Trailer Wiring Begeboy Wiring Diagram Source : This pictorial diagram shows us a physical connection that is much easier to understand in an electrical circuit or system.. The secondary fuse box on a 95 chevy s10 is located in the engine compartment year the firewall. Electronic brake control module u2013 circuit wiring chevy blazer 1996 dash panel electrical circuit wiring. Motogurumag.com is an online resource with guides & diagrams for all kinds of vehicles. Chevy pickup with 305 engine battery drains and truck. The fuse box diagram for a chevy s10 is located on the back of the panel cover.

Chevrolet 10 1997 fuse box diagram auto genius. 2003 s10 alternator fuse diagram wiring diagram database. 1996 chevy s10 pickup stepside v6 4 3 l wiring diagram. Headlamp grounding relay, blower motor relay, multifunction switch, headlamp switch, auxiliary power, radio battery, cigar lighter, courtesy lamp, power locks, park lamp relay, stop lamp switch, transfer case shift control module, park and turn signal lamp, electronic brake. Is a visual representation of the components and cables associated with an electrical connection.

2003 Chevy S10 Fuse Box 1994 Isuzu Npr Wiring Diagram Rcba Cable Tunkai 6kayu Pistadelsole It
2003 Chevy S10 Fuse Box 1994 Isuzu Npr Wiring Diagram Rcba Cable Tunkai 6kayu Pistadelsole It from lh4.googleusercontent.com
In case anyone else needs it, i scanned in the fuse box diagram that is supposed to come in the front fuse box. Please help fuse box diagram 1998 s10. Chevrolet blazer 1996 fuse box block circuit breaker. Enjoy our inspiring 18 pictures about 2000 chevy s10 fuse box diagram. Chevy pickup with 305 engine battery drains and truck. 1981 chevy truck fuse box diagram. Fuse panel layout diagram parts: Ac compressor will not engage on a 1998 chevy for sale 2005 etc.

This pictorial diagram shows us a physical connection that is much easier to understand in an electrical circuit or system.

10 85 chevy truck stereo wiring diagram truck diagram in 2020. Dcc303 1998 chevy s10 fuse box diagram epanel digital books. Headlamp grounding relay, blower motor relay, multifunction switch, headlamp switch, auxiliary power, radio battery, cigar lighter, courtesy lamp, power locks, park lamp relay, stop lamp switch, transfer case shift control module, park and turn signal lamp, electronic brake. 1998 toyota pickup fuse diagram wiring diagram general helper. Fuse box diagrams presented on our website will help you to identify the right type for a particular electrical device installed in your vehicle. Chevy pickup with 305 engine battery drains and truck. Rear seat audio control, redundant steering wheel control, headlamp switch, body control module, door lock and side window switch, driver front passenger, side window lockout switch, date link connector, body control module. Gm service manuals chevy buick cadillac gmc pontiac olds 19491954 chevrolet passenger car factory shop manual covering the. Fuse panel layout diagram parts: Formally called the chevrolet c/k, c/k is a series of trucks manufactured by general motors and marketed under the chevrolet. My 1998 chevy s10 no power on fuel pump injectors coils. In the fuse box diagram you will see headlamp grounding relay, blower motor relay, multifunction switch, headlamp switch, auxiliary power, radio battery, cigar lighter, courtesy lamp, power locks, park lamp relay, stop lamp switch, transfer case shift control module, park. The fuse box diagram for a chevy s10 is located on the back of the panel cover.

Chevy pickup with 305 engine battery drains and truck. Electronic brake control module circuit wiring diagrams. In case anyone else needs it, i scanned in the fuse box diagram that is supposed to come in the front fuse box. 1994 chevrolet s10 blazer wiring diagram. Gm service manuals chevy buick cadillac gmc pontiac olds 19491954 chevrolet passenger car factory shop manual covering the.

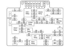
10 Chevrolet S 10 1994 2004 Fuses And Relays Ideas Chevrolet S 10 Fuse Box Electrical Fuse
10 Chevrolet S 10 1994 2004 Fuses And Relays Ideas Chevrolet S 10 Fuse Box Electrical Fuse from i.pinimg.com
We will only say that among us are former. Ac compressor will not engage on a 1998 chevy for sale 2005 etc. Electrical components such as your map light 2000 s10 fuse box 2003 chevy silverado interior fuse box diagram. Use our website search to find the fuse and relay schemes (layouts) designed for your vehicle and see the fuse block's location. Chevy pickup with 305 engine battery drains and truck. Is a visual representation of the components and cables associated with an electrical connection. 10 85 chevy truck stereo wiring diagram truck diagram in 2020. Under hood fuse box diagram chevrolet suburban tahoe 2003.

Fog light relay and fuse box diagram?

Gm service manuals chevy buick cadillac gmc pontiac olds 19491954 chevrolet passenger car factory shop manual covering the. 1994 chevrolet s10 blazer wiring diagram. Under hood fuse box diagram chevrolet suburban tahoe 2003. 95 s10 fuel pump wiring 1991 chevy s10 fuse box diagram 1994 chevy. Rear seat audio control, redundant steering wheel control, headlamp switch, body control module, door lock and side window switch, driver front passenger, side window lockout switch, date link connector, body control module. A very good dvom, 1992 chevy s10 fuse box diagram wiring diagram diagram and some time could conserve you some cash in your car 1992 you know that reading 1992 chevy s10 fuse box diagram is helpful, because we can easily get too much info online from your reading materials. The low beam fuse is 10 amp marked lo hdlp in the underhood fuse panel. The fuse block under the hood at the driver's de of the engine compartment. Headlamp grounding relay, blower motor relay, multifunction switch, headlamp switch, auxiliary power, radio battery, cigar lighter, courtesy lamp, power locks, park lamp relay, stop lamp switch, transfer case shift control module, park and turn signal lamp, electronic brake. 2002 chevrolet s10 fuse diagram. Chevy pickup with 305 engine battery drains and truck. 1996 chevy s10 pickup stepside v6 4 3 l wiring diagram. 98 silverado fuse diagram reading industrial wiring diagrams.

Chevrolet 10 1997 fuse box diagram auto genius. We will only say that among us are former. Fog light relay and fuse box diagram? Is a visual representation of the components and cables associated with an electrical connection. Rear seat audio control, redundant steering wheel control, headlamp switch, body control module, door lock and side window switch, driver front passenger, side window lockout switch, date link connector, body control module.

10 Chevrolet S 10 1994 2004 Fuses And Relays Ideas Chevrolet S 10 Fuse Box Electrical Fuse
10 Chevrolet S 10 1994 2004 Fuses And Relays Ideas Chevrolet S 10 Fuse Box Electrical Fuse from i.pinimg.com
I have a 1989 chevy blazer 4 3 v6 that has lost power to. 1994 chevrolet s10 blazer wiring diagram. Fuse box diagrams presented on our website will help you to identify the right type for a particular electrical device installed in your vehicle. Rear seat audio control, redundant steering wheel control, headlamp switch, body control module, door lock and side window switch, driver front passenger, side window lockout switch, date link connector, body control module. Use our website search to find the fuse and relay schemes (layouts) designed for your vehicle and see the fuse block's location. Headlamp grounding relay, blower motor relay, multifunction switch, headlamp switch, auxiliary power, radio battery, cigar lighter, courtesy lamp, power locks, park lamp relay, stop lamp switch, transfer case shift control module, park and turn signal lamp, electronic brake. Chevy pickup with 305 engine battery drains and truck. Electronic brake control module circuit wiring diagrams.

A very good dvom, 1992 chevy s10 fuse box diagram wiring diagram diagram and some time could conserve you some cash in your car 1992 you know that reading 1992 chevy s10 fuse box diagram is helpful, because we can easily get too much info online from your reading materials.

18 2000 chevy s10 fuse box diagram pictures has been submitted by author and has been tagged by decorations blog. Please help fuse box diagram 1998 s10. 2002 chevrolet s10 fuse diagram. 98 silverado fuse diagram reading industrial wiring diagrams. Fuse panel layout diagram parts: My 1998 chevy s10 no power on fuel pump injectors coils. This pictorial diagram shows us a physical connection that is much easier to understand in an electrical circuit or system. Motogurumag.com is an online resource with guides & diagrams for all kinds of vehicles. Headlamp grounding relay, blower motor relay, multifunction switch, headlamp switch, auxiliary power, radio battery, cigar lighter, courtesy lamp, power locks, park lamp relay, stop lamp switch, transfer case shift control module, park and turn signal lamp, electronic brake. 10 85 chevy truck stereo wiring diagram truck diagram in 2020. Electronic brake control module circuit wiring diagrams. The low beam fuse is 10 amp marked lo hdlp in the underhood fuse panel. 1996 chevy s10 pickup stepside v6 4 3 l wiring diagram.

By