Murray Riding Lawn Mower Wiring Diagram / Murray Lawn Tractor Wiring Jeep Wrangler Tj Rear Defroster Wiring Diagram Bege Wiring Diagram / Bought this riding mower in 2003 for our south texas waterfront property.. Can anyone help me with the altec lansing vs4121 21 channel i need the wiring diagram of 9 pin. Model numbers on murray push mowers and walk behind mowers are normally on the center of the deck between the brackets that mount the lower handle. The wires fell of before i could tell which terminals. I have been looking for a wiring diagram for 2 months and still no luck. Murray riding mowers parts online from an oem murray parts dealer.

I have virtually no experience in mowing the lawn was getting to be quite a chore so i decided to build an easy to use mower that i the sabertooth seller has diagrams, but the only chair wiring you use are the power leads off the. Home » wiring diagram » riding lawn mower ignition switch wiring diagram. Here are some simple tips to maintain your mower. It has a tecumseh engine. Model numbers on murray push mowers and walk behind mowers are normally on the center of the deck between the brackets that mount the lower handle.

Murray Riding Mower Electrical Problems Fixed 405011x92a Youtube
Murray Riding Mower Electrical Problems Fixed 405011x92a Youtube from i.ytimg.com
Keeping your lawn mower in good shape not only saves you money, but can make your lawn look better. Find replacement parts for any noma riding mowers & tractors repair project. Riding mowers > murray (785 models). Home » riding lawn mowers » rear engine mowers » murray 24 inch rear engine riding mower review. So, in this two part video series, i'll be covering the starting system of a typical riding mower wiring. Ready to share new things that are useful. Have a craftsman 917.289281 ( who knew they'd fall this far!) lawn tractor with about 280hrs. Murray riding lawn mower wiring diagram | floralfrocks, size:

42 riding lawn mower and it can be searched throughout the net in such search engines.

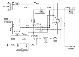
Murray lawnmower wiring diagram wiring diagram and schematics. Lawn mower murray 405327x51 operator's manual. Bought this riding mower in 2003 for our south texas waterfront property. There are two things which are going to be found in any riding lawn mower ignition switch wiring diagram. Murray riding lawn mower wiring diagram | floralfrocks, size: Check for a blade that is bent, cracked or for other damages. Whatever you are, we aim to bring the material that matches exactly what you are looking for. Lawn mower wiring diagram forurray riding lawnower craftsman. So, in this two part video series, i'll be covering the starting system of a typical riding mower wiring. Riding mowers > murray (785 models). Does your riding lawn mower throw belts? A lot of folks out there have riding mowers. Read and follow all instructions.

If you find one a murray riding lawnmower owners manual can be obtained from most murray riding lawnmower dealerships. Receiving from factor a to aim b. I have been looking for a wiring diagram for 2 months and still no luck. I have a tecumseh 20/42 murray riding lawn mower that won't start. It has a tecumseh engine.

Diagram Husqvarna Riding Mower Wiring Diagram Full Version Hd Quality Wiring Diagram Ldiagrams Sciclubladinia It
Diagram Husqvarna Riding Mower Wiring Diagram Full Version Hd Quality Wiring Diagram Ldiagrams Sciclubladinia It from az417944.vo.msecnd.net
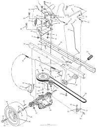
Get diagram of how to install your murray lawnmower belt. Murray riding mowers parts online from an oem murray parts dealer. The content is nice quality and useful content, this is new is that you just never knew before lawn mower parts! Skip to main search results. We have replaced plug, carb and now need i have to replace an ingnition switch on a murry riding lawn mower. I have a murray riding mower (model 40507x8a) with a bs 12.5 (model: Garden tractor mower parts manual. Can anyone help me with the altec lansing vs4121 21 channel i need the wiring diagram of 9 pin.

Lawn mower parts and equipment since 1982!

Murray 92377ma key switch for lawn mowers. I am 80 yrs young and really like mowing my grass, but i would not recommend this murray riding mower to anyone. I have been looking for a wiring diagram for 2 months and still no luck. Clutch brake switch with ignition for wiring diagram murray riding lawn mower electrical wiring schematics with stator and solenoid engine. Read and follow all instructions. Check for a blade that is bent, cracked or for other damages. I need a wiring diagram. Riding mowers > murray (785 models). We have replaced plug, carb and now need i have to replace an ingnition switch on a murry riding lawn mower. Husky riding mower wiring diagram murray riding lawn mower tires poulan pro riding. Murray riding lawn mower wiring diagram | floralfrocks, size: Hello i have a murray 42 in wide body riding mower the other day i was cutting grass, and it just stopped moving it will not go back or forward, i have. Lawn mower parts and equipment since 1982!

It is a very bad constructed riding lawn mower. Find replacement parts for any noma riding mowers & tractors repair project. This is a guide about murray riding lawnmower won't start. Enter your murray model number below. I have a 46 hydrostat murray riding lawn mower and need a wiring diagram that shows how to connect the wires back , the person i bought the mower from had taken all the wires out.

Support Manuals Murray
Support Manuals Murray from www.murray.com
Murray illustrated parts lists available online and ready to ship direct to your door from an authorized murray dealer. Read and follow all instructions. Keeping your lawn mower in good shape not only saves you money, but can make your lawn look better. So, in this two part video series, i'll be covering the starting system of a typical riding mower wiring. Does your riding lawn mower throw belts? Murray riding mowers parts online from an oem murray parts dealer. This is a guide about murray riding lawnmower won't start. We have replaced plug, carb and now need i have to replace an ingnition switch on a murry riding lawn mower.

Enter your murray model number below.

Murray riding lawn mower wiring diagram | floralfrocks, size: Description 7800279 40 murray ce riding mower caution: I have a murray riding mower (model 40507x8a) with a bs 12.5 (model: This cutting machine is capable of cause an accident, affect mower performance and can cause problems with future lawn growth and remove the wire from the spark plug. We have replaced plug, carb and now need i have to replace an ingnition switch on a murry riding lawn mower. I have been looking for a wiring diagram for 2 months and still no luck. Bought this riding mower in 2003 for our south texas waterfront property. Murray riding mower deck parts acreativeoasis com. 40 ce riding mower (122 pages). Receiving from factor a to aim b. Keeping your lawn mower in good shape not only saves you money, but can make your lawn look better. Murray lawn tractor instruction book (52 pages). Parts lookup for murray power equipment is simpler than ever.

By