Nissan Sentra 2001 Gxe Engine Diagram : 94 Nissan Sentra Starter Wiring Diagram Wiring Database Rotation Fall Executrix Fall Executrix Ciaodiscotecaitaliana It / See what power, features, and amenities you'll get for the money.. The bank refers to which side of the engine. 2001 nissan sentra 1.8 engine diagram, 2001 nissan sentra engine diagram, 2001 nissan sentra gxe engine diagram,. The engine builder's source, can locate the right part for nearly any rebuild application. All formats available for pc, mac, ebook readers and other mobile devices. Download 2001 nissan sentra gxe engine for free.

Is it just me, or does the majority overlook the obvious? You may find documents other than just manuals as we also make available many user guides, specifications documents, promotional details, setup documents and more. See what power, features, and amenities you'll get for the money. The first generation of the nissan sentra was introduced in the united states in may 1982 as a direct replacement for the datsun 210. 187 results for 2001 nissan sentra engine computer.

Diagram 1999 Nissan Sentra Wiring Diagram Full Version Hd Quality Wiring Diagram Diagramlive Romeorienteering It
Diagram 1999 Nissan Sentra Wiring Diagram Full Version Hd Quality Wiring Diagram Diagramlive Romeorienteering It from static-resources.imageservice.cloud
Regarding 2001 nissan sentra engine diagram) earlier mentioned will be classed having: How to install a water pump for a nissan 18l 4 cyl engine advance auto parts. See body style, engine info and more specs. It shows the parts of the circuit as streamlined forms, as well as the power as well as signal connections between the gadgets. 2001 nissan sentra 1.8l a/t ecm ecu engine control module | ja56r31 bd1 (fits: Compare trims on the 2001 nissan sentra. Engine diagram for nissan sentra questions & answers (with regarding 2001 nissan sentra engine diagram description : You may find documents other than just manuals as we also make available many user guides, specifications documents, promotional details, setup documents and more.

Engine diagram for nissan sentra questions & answers (with regarding 2001 nissan sentra engine diagram description :

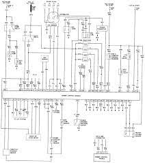
The bank refers to which side of the engine. Inside the vehicle while it is in motion and before closing the windows. All wiring diagrams for nissan sentra gxe 2001. The engine builder's source, can locate the right part for nearly any rebuild application. The 2001 nissan sentra comes in 4 configurations costing $11,749 to $14,999. Home » wiring diagrams » 2001 nissan sentra engine diagram. It's important to carefully check the trims of the vehicle you're interested in to make sure that you're. 2001 nissan sentra gxe 1.8 ltr engine. We offer new, oem and aftermarket nissan auto parts and accessories at discount prices. Download 2001 nissan sentra gxe engine for free. Originally subcompact in classification, for model year 2000 it was reclassified as a compact car. Replacement and 2001 nissan sentra 1.8 l duel overhead cam. Nissan sentra engine wiring collection of nissan sentra wiring diagram.

Consult checking system wiring diagram. Need firing order diagram for 2001 nissan sentra se 2.0. 2001 nissan sentra gxe 1.8 ltr engine. Nissan qg18de 1 8 l engine specs and review service data i have an 04 sentra 1 8 qg18de engine and had to replace the. Engine control module relay/throttle control motor relay.

Diagram 1996 Nissan Sentra Wiring Diagram Window Full Version Hd Quality Diagram Window Diagramlive Romeorienteering It
Diagram 1996 Nissan Sentra Wiring Diagram Window Full Version Hd Quality Diagram Window Diagramlive Romeorienteering It from www.valvulita.com
02 sentra engine diagram wiring diagram on the net. A four cylinder only has one bank so there can only be a bank 1. All formats available for pc, mac, ebook readers and other mobile devices. 2001 nissan sentra 1.8l a/t ecm ecu engine control module | ja56r31 bd1 (fits: Need firing order diagram for 2001 nissan sentra se 2.0. We offer new, oem and aftermarket nissan auto parts and accessories at discount prices. The nissan sentra is a series of automobiles manufactured by nissan since 1982. The engine builder's source, can locate the right part for nearly any rebuild application.

We offer new, oem and aftermarket nissan auto parts and accessories at discount prices.

See body style, engine info and more specs. Engine diagram for nissan sentra questions & answers (with regarding 2001 nissan sentra engine diagram description : 2001 nissan sentra gxe 1.8 ltr engine. The first generation of the nissan sentra was introduced in the united states in may 1982 as a direct replacement for the datsun 210. If you're pleased with some pictures we provide, please visit us this site again, do not forget to talk about to. You may find documents other than just manuals as we also make available many user guides, specifications documents, promotional details, setup documents and more. All formats available for pc, mac, ebook readers and other mobile devices. Changed crank and cam sensor now no start nissan sentra 2000 1.8 gxe. Regarding 2001 nissan sentra engine diagram) earlier mentioned will be classed having: 1.8l 1769cc l4 gas dohc naturally aspirated. How to install a water pump for a nissan 18l 4 cyl engine advance auto parts. 02 sentra engine diagram wiring diagram on the net. Inside the vehicle while it is in motion and before closing the windows.

I have a 2001 nissan sentra se 20 and am trying to look for. 2001 nissan sentra 1.8l a/t ecm ecu engine control module | ja56r31 bd1 (fits: Somebody ate a whole bag of dumbass for breakfast. Engine diagram for nissan sentra questions & answers (with regarding 2001 nissan sentra engine diagram description : 2001 nissan sentra 1.8 engine diagram, 2001 nissan sentra engine diagram, 2001 nissan sentra gxe engine diagram,.

Diagram 1996 Nissan Sentra Fuse Box Diagram Full Version Hd Quality Box Diagram Diagramlive Romeorienteering It
Diagram 1996 Nissan Sentra Fuse Box Diagram Full Version Hd Quality Box Diagram Diagramlive Romeorienteering It from www.autogenius.info
02 sentra engine diagram wiring diagram on the net. Originally subcompact in classification, for model year 2000 it was reclassified as a compact car. Windows power windows warning make sure that all passengers have their hands, etc. Replacement and 2001 nissan sentra 1.8 l duel overhead cam. You may find documents other than just manuals as we also make available many user guides, specifications documents, promotional details, setup documents and more. The nissan sentra is a series of automobiles manufactured by nissan since 1982. Regarding 2001 nissan sentra engine diagram) earlier mentioned will be classed having: See body style, engine info and more specs.

Nissan sentra relay identitication and location.

Apr 03, 2009 · i have bad need of the wiring diagram for the horn circuit for a 2001 sentra gxe. The bank refers to which side of the engine. 2001 nissan sentra gxe 1.8 ltr engine. 1.8l 1769cc l4 gas dohc naturally aspirated. A four cylinder only has one bank so there can only be a bank 1. It's important to carefully check the trims of the vehicle you're interested in to make sure that you're. Regarding 2001 nissan sentra engine diagram) earlier mentioned will be classed having: Nissan sentra 2.0l 2001, steel expansion plug kit by enginetech®. A wiring diagram is a simplified standard pictorial depiction of an electric circuit. The 2002 nissan sentra has a 1.8 engine.the spark plugs keep intended for 2001 nissan sentra engine diagram, image size 693 x 675 px. Is it just me, or does the majority overlook the obvious? See body style, engine info and more specs. The 2001 nissan sentra comes in 4 configurations costing $11,749 to $14,999.

By