Solid State Spdt Relay - An Introduction To Single Pole Double Throw Spdt Switches And Spdt Solid State Relays Huimultd / There are three common types of ssrs, grouped according to the electronic device inside it:. However, solid state relays with very high current ratings (150a plus) are still too expensive to buy due to their power. The single pole double throw spdt relay is quite useful in certain applications because of its internal configuration. What is a solid state relay? I'm trying to use two solid state spst relays (p/n sai4003d) to act like an spdt relay. This is the 12v spdt single pole and double throw type relay.

Solid state relays can have a variety of different devices at the core of their electronic circuits: Ssrs, however, employ semiconductor switching elements, such as thyristors, triacs, diodes, and transistors. There are three common types of ssrs, grouped according to the electronic device inside it: However, solid state relays with very high current ratings (150a plus) are still too expensive to buy due to their power. A solid state relay (ssr) is an electronic switching device that switches on or off when an external voltage (ac or dc) is applied across its control terminals.

Dpst Spdt Solid State Relay 650vdc 460vac 0 5a Wide Input Voltage 5 15vdc New For Sale Online
Dpst Spdt Solid State Relay 650vdc 460vac 0 5a Wide Input Voltage 5 15vdc New For Sale Online from i.ebayimg.com
In terms of operation, ssrs are not very different from mechanical relays that have moving contacts. This is the fotek ssr solid state relay capable of handling the ac load current up to 25 ampere. Solid state relay (ssr) is an electronic switching device made of semiconductors that switch (on & off) a high voltage circuit using a when the relay activates, the common terminal connects to the no terminal. A wide variety of spdt solid state relay options are available to you, such as solid state relay, electromagnetic relay, and time relay. It has no moving parts, so, you won't hear any sound when you turn. However, instead of being switched by human interaction like a physical switch, ssrs are switched electronically. Relay ssr solid state relay how to use a solid state relay dpdt relay pinout spdt relay pinout dpdt relay contacts spdt relay contacts relay with arduino arduino relay control program relays: Solid state relays all departments audible books & originals alexa skills amazon devices amazon pharmacy amazon warehouse appliances apps & games arts, crafts & sewing automotive parts & accessories baby.

Solid state relays can have a variety of different devices at the core of their electronic circuits:

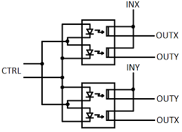
A solid state relay (ssr) is an electronic switching device that switches on or off when an external voltage (ac or dc) is applied across its control terminals. Thyristors of scrs, triacs, bipolar junction transistors, bjts, and mosfets provide ideal electronic switches within the solid state relay. Upgrading the spdt relay to dpdt version. This design will work regardless of the opto input switching voltage, right from 3v to 30v dc. Solid state relay (ssr) is an electronic switching device made of semiconductors that switch (on & off) a high voltage circuit using a when the relay activates, the common terminal connects to the no terminal. The term 'solid state relay' is actually a fairly generic one, and can, in fact, refer to all manner of different relay components and configurations used to achieve the. Solid state relays all departments audible books & originals alexa skills amazon devices amazon pharmacy amazon warehouse appliances apps & games arts, crafts & sewing automotive parts & accessories baby. It is a totally electronic device that depends on the electrical, magnetic, and optical properties of. There are three common types of ssrs, grouped according to the electronic device inside it: This is the 12v spdt single pole and double throw type relay. What is a solid state relay? The relays state that they are on at 0 volts, so my idea was to use the arduino io to set them either input/output at low or input/output at high to turn them on. From 38.51 • dc and ac/dc versions available • spdt and dpdt versions available • leakage suppression on select models wiring 11 from 91 060.72 blue part number black 093.08 093.08.

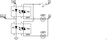
Thyristors of scrs, triacs, bipolar junction transistors, bjts, and mosfets provide ideal electronic switches within the solid state relay. It serves the same function as an electromechanical relay, but has no moving parts and therefore results in a longer operational lifetime. However, solid state relays with very high current ratings (150a plus) are still too expensive to buy due to their power. Cut off one wire, one end is connected to load1 , and the other end is. The term solid state generally refers to semiconductor electronics such as transistors, diodes, etc.

Mosfet Solid State Dip Relay 6 Pin Pcb Spst No Lh1156at Solid State Relay Ssr Ebay
Mosfet Solid State Dip Relay 6 Pin Pcb Spst No Lh1156at Solid State Relay Ssr Ebay from i.ebayimg.com
Ideally both will be controlled by the same signal wire. Its load current is conducted by one or more sourcing guide for solid state relay: I'm trying to use two solid state spst relays (p/n sai4003d) to act like an spdt relay. Ssrs, however, employ semiconductor switching elements, such as thyristors, triacs, diodes, and transistors. Product description solid state relay(ssr) is an electronic switch, which contains no moving parts. Single throw vs double throw. With a few mouse clicks you can easily purchase solid state relays (ssrs) online. This is the 12v spdt single pole and double throw type relay.

Solid state relays can have a variety of different devices at the core of their electronic circuits:

Single throw vs double throw. In terms of operation, ssrs are not very different from mechanical relays that have moving contacts. The single pole double throw spdt relay is quite useful in certain applications because of its internal configuration. A solid state relay (ssr) is an electronic switching device that switches on or off when an external voltage (ac or dc) is applied across its control terminals. Solid state relays all departments audible books & originals alexa skills amazon devices amazon pharmacy amazon warehouse appliances apps & games arts, crafts & sewing automotive parts & accessories baby. What is a solid state relay? Relay ssr solid state relay how to use a solid state relay dpdt relay pinout spdt relay pinout dpdt relay contacts spdt relay contacts relay with arduino arduino relay control program relays: Solid state relays (ssrs) turn on or off the power being supplied to other devices, in a similar fashion as a physical switch. I'm trying to use two solid state spst relays (p/n sai4003d) to act like an spdt relay. There is also a control switching circuit that. A solid state relay or ssr, features these electronic devices. A solid state relay (ssr) is a relay that does not have a moving contact. This is the fotek ssr solid state relay capable of handling the ac load current up to 25 ampere.

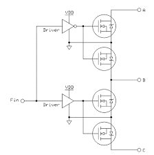
With a few mouse clicks you can easily purchase solid state relays (ssrs) online. In terms of operation, ssrs are not very different from mechanical relays that have moving contacts. A simple high current spdt solid state dc relay or a dc ssr can be constructed using a couple of mosfets and an optocoupler, as shown in the digaram above. Product description solid state relay(ssr) is an electronic switch, which contains no moving parts. Solid state relays can have a variety of different devices at the core of their electronic circuits:

Assr 1510 503e Broadcom 1 A Spdt Solid State Relay Ac Surface Mount Mosfet 60 V Maximum Load Rs Components
Assr 1510 503e Broadcom 1 A Spdt Solid State Relay Ac Surface Mount Mosfet 60 V Maximum Load Rs Components from res.cloudinary.com
Its load current is conducted by one or more sourcing guide for solid state relay: There are three common types of ssrs, grouped according to the electronic device inside it: A solid state relay (ssr) is an electronic switching device that switches on or off when an external voltage (ac or dc) is applied across its control terminals. Relay ssr solid state relay how to use a solid state relay dpdt relay pinout spdt relay pinout dpdt relay contacts spdt relay contacts relay with arduino arduino relay control program relays: Ssrs typically also feature electrical isolation to several thousand volts between. What is a solid state relay? I'm trying to use two solid state spst relays (p/n sai4003d) to act like an spdt relay. To provide the switching signal between the input and the.

Ssrs typically also feature electrical isolation to several thousand volts between.

In terms of operation, ssrs are not very different from mechanical relays that have moving contacts. A solid state relay (ssr) is a relay that does not have a moving contact. What is a solid state relay? This is the 12v spdt single pole and double throw type relay. A solid state relay (ssr) is an electronic switching device that switches on or off when an external voltage (ac or dc) is applied across its control terminals. It serves the same function as an electromechanical relay, but has no moving parts and therefore results in a longer operational lifetime. Normally, i use these types of relays for controlling ac loads. Solid state relays can be designed to operate either based on ac or dc input currents, depending on the specific model and applications. There are three common types of ssrs, grouped according to the electronic device inside it: Cut off one wire, one end is connected to load1 , and the other end is. Although the core operating principle is the same, different suppliers use a solid state relays are extremely useful and powerful components for on/off switching of ac and dc loads while providing electrical isolation between control and load. There is also a control switching circuit that. It is a totally electronic device that depends on the electrical, magnetic, and optical properties of.

By