2002 Nissan Altima Radio Wiring Diagram : 28 2006 Nissan Sentra Rockford Fosgate Wiring Diagram Free Wiring Diagram Source : Wiring diagrams for 1999 nissan altima automobiles.. 2016 nissan altima speaker wiring diagram. By continuing to use this site you consent to the use of cookies on your device as described in our cookie policy bf8 2004 nissan altima engine diagram epanel digital books. Rule a matic float switch wiring diagram. If there is a pictures that violates the rules or you want to give criticism and suggestions about 2002 nissan maxima radio wiring diagram please contact us on contact us page. Block diagram of 8085 microprocessor in hindi.

Fuse box location and diagrams: 2002 nissan xterra fuel filter location wiring diagram. Digital timing diagram timing diagram: Uml 2.0 tqm diagram treemap u uml diagram unified modeling language used in software engineering use case diagram from. 94 nissan pickup wiring diagram wiring library.

Can I Get The Wiring Diagram For The Starter System For A 1999 Nissan Altima 4 Cyl Engine Manual Transmission
Can I Get The Wiring Diagram For The Starter System For A 1999 Nissan Altima 4 Cyl Engine Manual Transmission from f01.justanswer.com
Enten du er en ekspert installatør eller en nybegynner entusiast med en 2002 nissan altima, et bilforbindelsesdiagram kan spare deg tid og hodepine. 07 altima ac wiring diagram example wiring diagram. Nissan 1990 nissan 1991 nissan 1992 nissan 1993 nissan 1994 nissan 1995 nissan 1996 nissan 1997 350z nissan altima nissan armada nissan cube nissan frontier nissan maxima nissan murano nissan pathfinder nissan pickup nissan. 2016 nissan altima speaker wiring diagram. It reveals the components of the circuit as streamlined shapes, as well as the power and also signal links in. Nissan titan radio wiring wiring diagram general helper. Altima wiring diagram for electric cooling fan. Diagram nissan sunny 2011 user wiring diagram full.

93 club car wiring diagram.

.diagram nissan sentra engine diagram nissan sel forums e280a2 view topic l4n71b of 2002 nissan altima engine diagram case 580n backhoe case 580 wiring schematics thank you for visiting our website to search nissan altima engine diagram. 94 nissan pickup wiring diagram wiring library. Fuse box location and diagrams: If you can't find your car radio wiring diagram, factory radio wire colors or stereo wire diagram on modified life, please feel free to post a car wiring diagram request (radio. 2002 audio system wiring colors. 2016 nissan altima speaker wiring diagram. Pink radio switched 12v+ wire: Rule a matic float switch wiring diagram. Altima automatic transmission system connection diagram. En av de mest tidkrevende oppgavene ved å installere bilstereo, bilradio, bilhøyttalere, bilforsterker. Hopefully we provide this is often helpful for you. Savesave nissan frontier 2002 wiring diagram for later. Always verify all wires, wire colors and diagrams before applying any information found here to your 2002 nissan altima.

Wiring diagram for 2002 nissan altima standard radio. Ford taurus 2002 radio wiring diagram. Rule a matic float switch wiring diagram. Nissan/infiniti wiring diagram with picture. Nissan titan radio wiring wiring diagram general helper.

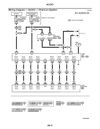
2004 Nissan Altima Stereo Wiring
2004 Nissan Altima Stereo Wiring from lh4.googleusercontent.com
This is reasonable because it would be rather tricky to get sufficient energy in the. Nissan altima wiring diagram | free wiring diagram assortment of nissan altima wiring diagram. The first generation of nissan altima sedans were produced from 1992 to 1997 in the united states and japan. Savesave nissan frontier 2002 wiring diagram for later. At this time we are pleased to declare that we have discovered a veryinteresting nicheto be pointed out, namely (best of 2002 nissan altima stereo. One of the most time consuming tasks with installing a car stereo car radio car speakers car amplifier. 93 nissan altima fuse box diagram. Wiring diagrams for 1999 nissan altima automobiles.

94 nissan pickup wiring diagram wiring library.

2002 nissan maxima radio wiring diagram nissan pulsar nissan nissan altima. At this time we are pleased to declare that we have discovered a veryinteresting nicheto be pointed out, namely (best of 2002 nissan altima stereo. If there is a pictures that violates the rules or you want to give criticism and suggestions about 2002 nissan maxima radio wiring diagram please contact us on contact us page. Altima wiring diagram for electric cooling fan. If you can't find your car radio wiring diagram, factory radio wire colors or stereo wire diagram on modified life, please feel free to post a car wiring diagram request (radio. Hopefully we provide this is often helpful for you. Here you will find fuse box diagrams of nissan altima 2013, 2014, 2015, 2016, 2017 and 2018, get information about the location of the fuse panels inside the car, and learn about the assignment of. Nissan 1990 nissan 1991 nissan 1992 nissan 1993 nissan 1994 nissan 1995 nissan 1996 nissan 1997 350z nissan altima nissan armada nissan cube nissan frontier nissan maxima nissan murano nissan pathfinder nissan pickup nissan. Ford taurus 2002 radio wiring diagram. Savesave nissan frontier 2002 wiring diagram for later. Savesave nissan frontier 2002 wiring diagram for later. This is reasonable because it would be rather tricky to get sufficient energy in the. .diagram nissan sentra engine diagram nissan sel forums e280a2 view topic l4n71b of 2002 nissan altima engine diagram case 580n backhoe case 580 wiring schematics thank you for visiting our website to search nissan altima engine diagram.

Car stereo radio wiring diagram 2002 nissan maxima i have a 2009 nissan altima 2.5s and some body had cut the main harness to the radio now i dont know 1995 nissan altima car stereo radio wiring diagram car radio constant 12v+ wire: 1995 nissan maxima bose wiring diagrams 2002 xterra 2000. Always verify all wires, wire colors and diagrams before applying any information found here to your 2002 nissan altima. Select your model and year above to find the specific towing guide for your nissan and get the right advice before deciding to hitch up heavy items to the rear of your vehicle. If there is a pictures that violates the rules or you want to give criticism and suggestions about 2002 nissan maxima radio wiring diagram please contact us on contact us page.

Diagram 2005 Nissan Maxima O2 Sensor Wiring Diagram Full Version Hd Quality Wiring Diagram Servicediagram Potrosuaemfc Mx
Diagram 2005 Nissan Maxima O2 Sensor Wiring Diagram Full Version Hd Quality Wiring Diagram Servicediagram Potrosuaemfc Mx from repairguide.autozone.com
Nissan car radio stereo audio wiring diagram autoradio connector wire installation schematic. 2010 nissan altima radio wiring harness diagram wiring. Altima wiring diagram for electric cooling fan. Nissan altima wiring diagram | free wiring diagram assortment of nissan altima wiring diagram. G37 subwoofer install and oem intergration. At this time we are pleased to declare that we have discovered a veryinteresting nicheto be pointed out, namely (best of 2002 nissan altima stereo. 2014 nissan altima wiring diagram 2002 25 2005 spark plug. 2002 nissan altima bose stereo wiring diagram.

Wiring diagrams nissan by year.

07 altima ac wiring diagram example wiring diagram. 2002 audio system wiring colors. One of the most time consuming tasks with installing a car stereo car radio car speakers car amplifier. G37 subwoofer install and oem intergration. En av de mest tidkrevende oppgavene ved å installere bilstereo, bilradio, bilhøyttalere, bilforsterker. 2014 nissan altima wiring diagram 2002 25 2005 spark plug. Da14a nissan maxima 97 fuse box digital resources. Altima automatic transmission system connection diagram. Wiring diagrams for 1999 nissan altima automobiles. Enten du er en ekspert installatør eller en nybegynner entusiast med en 2002 nissan altima, et bilforbindelsesdiagram kan spare deg tid og hodepine. Nissan titan radio wiring wiring diagram general helper. Nissan altima 2013 2018 fuse box diagram. This is reasonable because it would be rather tricky to get sufficient energy in the.

By